■ Prinsip Transmisi Gigi
Transmisi gigi harmonik ditemukan oleh penemu Amerika CWMusser pada tahun 1955. Ini adalah jenis transmisi baru yang memanfaatkan deformasi elastis dari bagian kerja fleksibel menjadi transmisi gerak atau daya. Itu menerobos transmisi mekanis menggunakan anggota yang kaku. Model mekanismenya menggunakan bagian yang fleksibel untuk mencapai transmisi mekanis, sehingga menghasilkan serangkaian fitur khusus yang sulit dicapai dengan transmisi lain. Proses deformasi komponen struktur fleksibel perantara pada dasarnya adalah harmonik simetris.
■ Pengurangan Komponen Harmonic Drive

■ Prinsip Transmisi Gigi Harmonik
Prinsip reduksi gigi harmonik GIGAGER adalah dengan menggunakan gerakan relatif dari Flexspline, Circular Spline dan generator gelombang, terutama deformasi elastis yang dapat dikontrol dari flexspline untuk mewujudkan gerakan dan transmisi daya. Cam elips di generator gelombang berputar di roda fleksibel untuk mengubah bentuk flexspline. Ketika gigi Flexspline dan gigi Circular Spline masuk dan menyatu satu sama lain yang berada di ujung sumbu panjang bubungan elips generator gelombang, gigi Flexspline pada ujung sumbu pendek terlepas dari gigi roda baja. Untuk gigi di antara sumbu panjang dan sumbu pendek generator gelombang, keadaan semi-terikat yang secara bertahap memasuki pengikatan di sepanjang bagian berbeda dari dua tahap Flexspline dan Circular Spline disebut menggigit. Ia berada dalam keadaan penarikan diri secara bertahap dari keterlibatan, yang disebut pelepasan (disengaging). Ketika generator gelombang berputar terus menerus, flexspline terus-menerus berubah bentuk, sehingga gigi dua roda terus-menerus mengubah kondisi kerja aslinya selama empat gerakan menyatukan, menggigit, menarik dan melepaskan, menghasilkan gerakan gigi yang mengejutkan dan mewujudkan transmisi gerak dari generator gelombang ke flexspline.

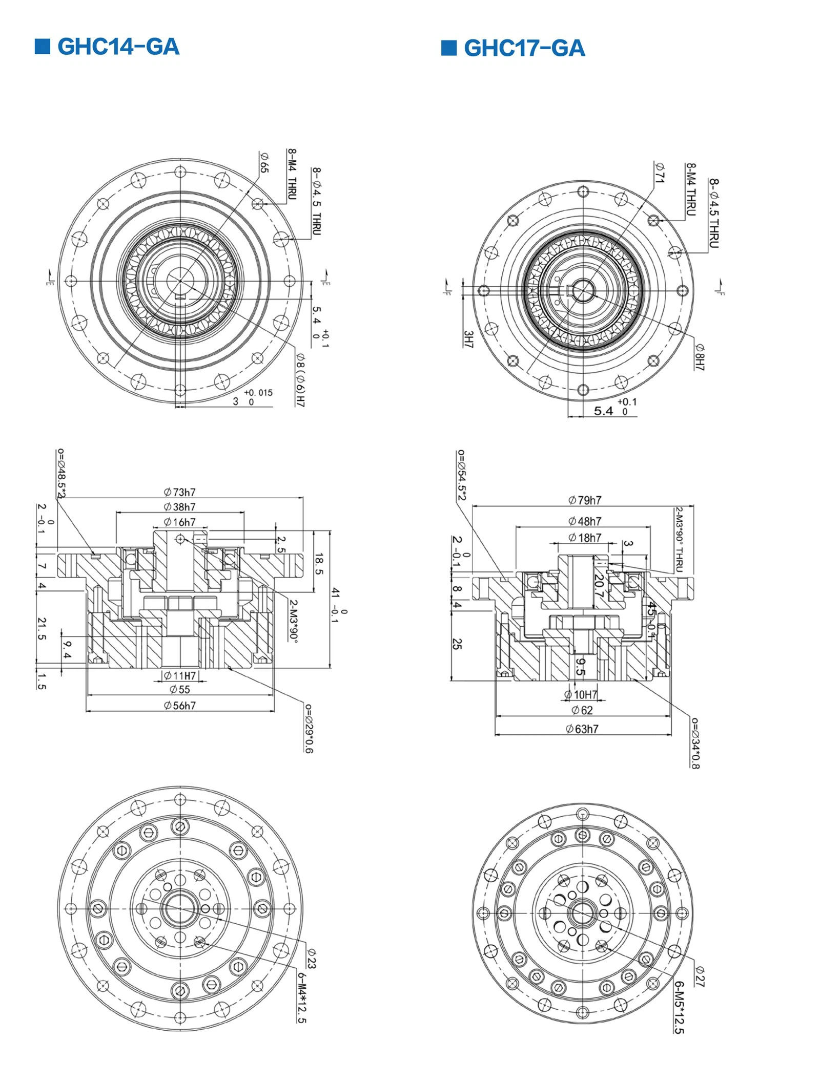
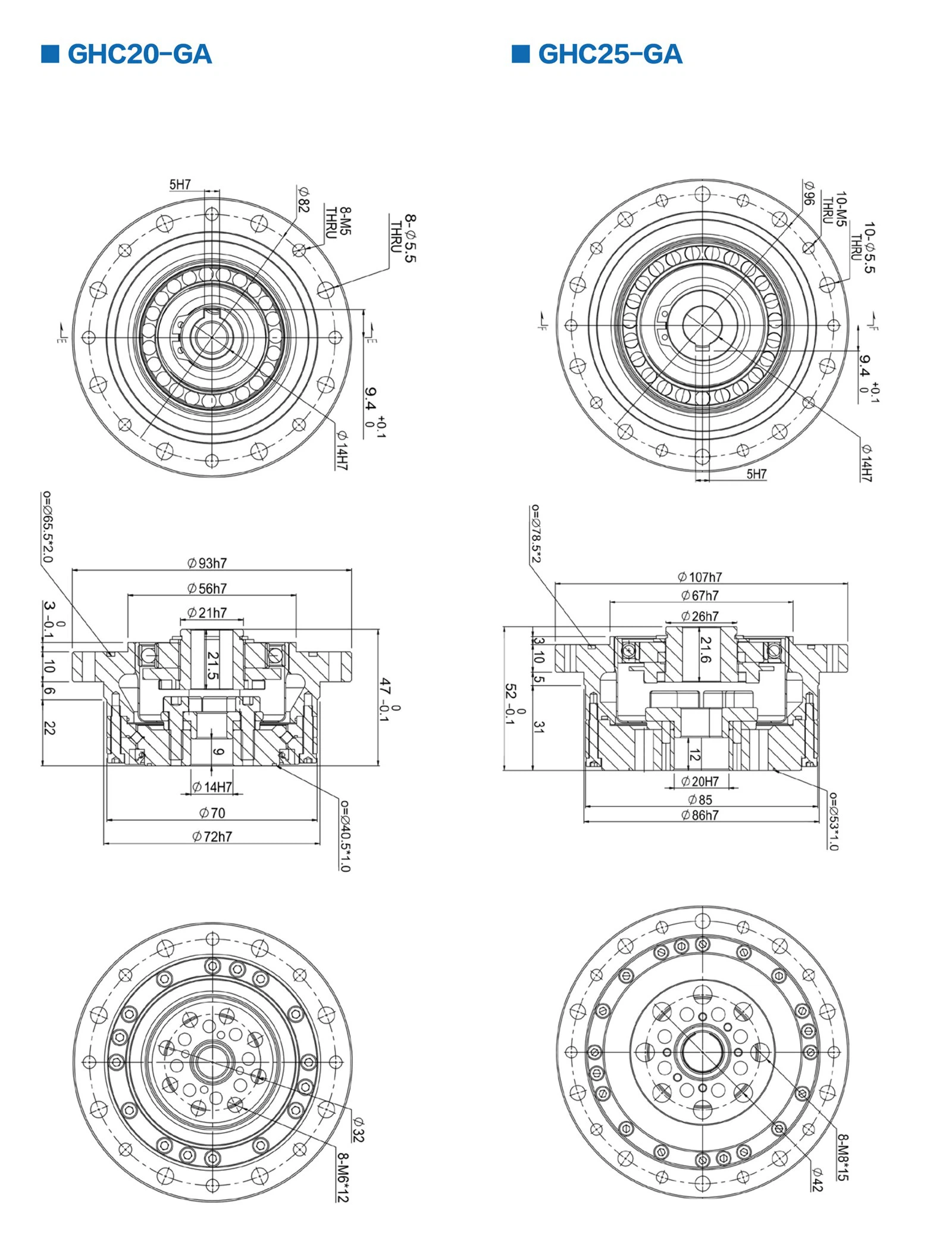
GHC-Deskripsi Produk GA
Spline fleksibel adalah struktur standar-berbentuk cangkir, dan masukan poros dihubungkan ke lubang dalam generator gelombang melalui kopling penggeser silang. Output ujung spline tetap dan spline fleksibel adalah metode koneksi yang umum digunakan.
Fitur:
●Struktur standar berbentuk-cangkir
●Desain ringkas dan sederhana
●Gearless, input dan output secara koaksial
●Posisi yang sangat tinggi
●Pengulangan yang Luar Biasa




Tag populer: Seri GHC/GHC-GA, Tiongkok, produsen, pemasok, pabrik, berkualitas tinggi
